Egni Pro Engenharia

Subestação de subtransmissão - 69kV e 138kV

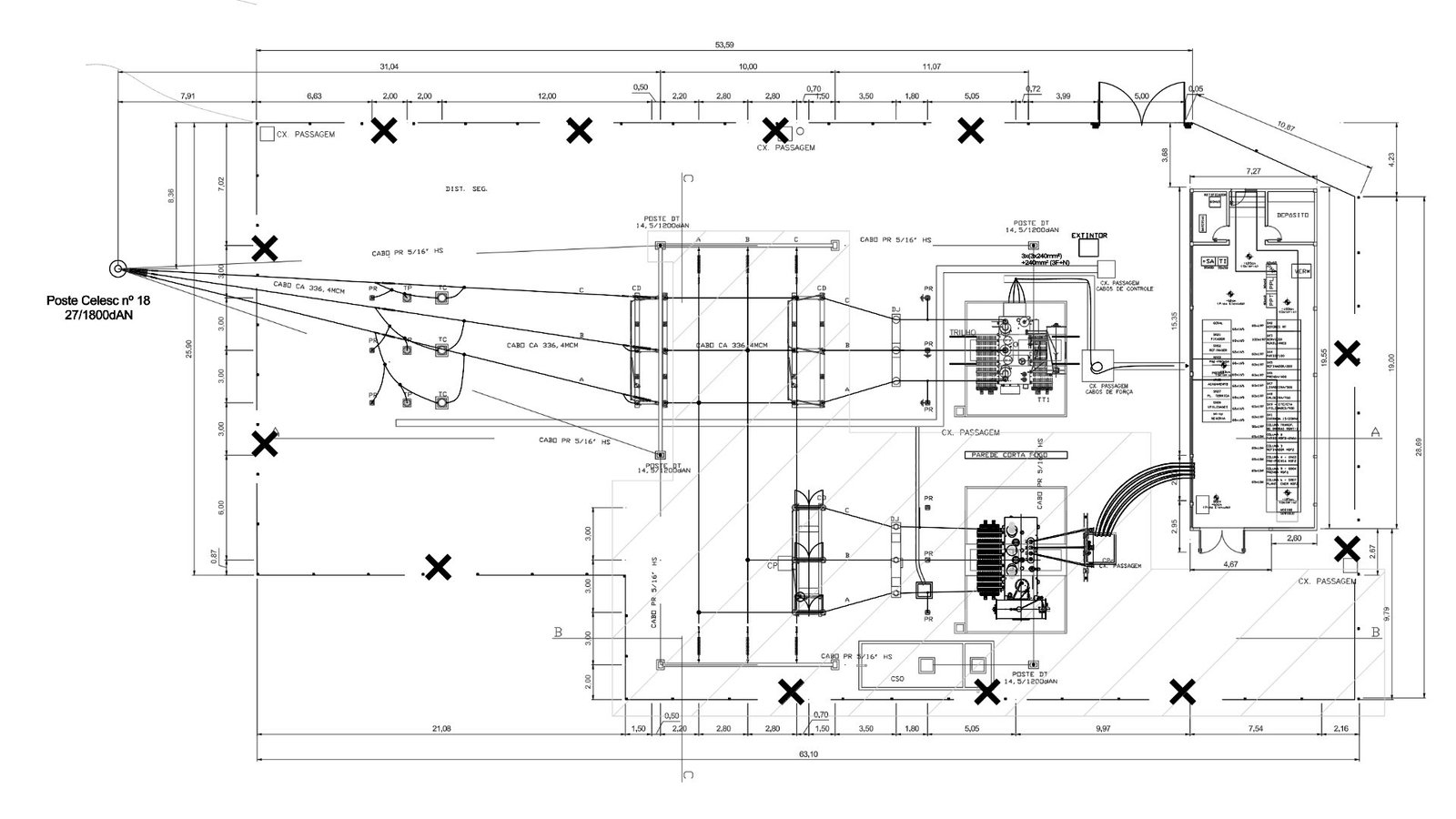
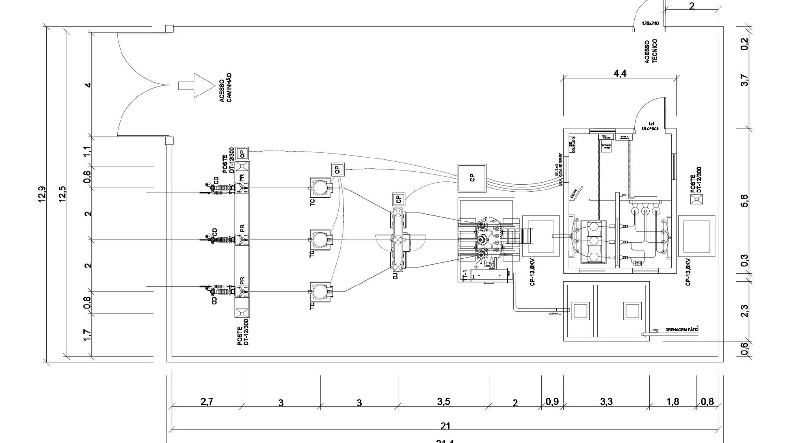
As subestações de subtransmissão são estruturas essenciais para consumidores de grande porte e unidades geradoras que necessitam se conectar diretamente às redes de subtransmissão das concessionárias de energia elétrica. Operando em níveis de tensão entre 69 kV e 138 kV, essas subestações possibilitam o acesso seguro e estável ao sistema elétrico, favorecendo o fornecimento e o escoamento de energia com eficiência, confiabilidade e qualidade.

A EgniPro Engenharia oferece soluções completas para projeto, adequação, ampliação e execução de subestações de subtransmissão, garantindo o atendimento integral às normas técnicas e aos requisitos de conexão das distribuidoras e transmissoras.

Cada projeto é desenvolvido com foco nas necessidades específicas de cada empreendimento, contemplando estudos de fluxo de carga, curto-circuito, proteção e seletividade.

Nosso compromisso é assegurar que o cliente tenha uma infraestrutura elétrica robusta, segura e preparada para o futuro, permitindo a conexão eficiente e sustentável entre sua instalação e o sistema elétrico nacional.

Perfil de Cliente:

Empresas consumidoras ou geradoras de médio e grande porte

Tensão de atendimento:

69kV à 138kV

Nível de demanda:

Normalmente à partir de 2,5MW*

Complexidade:

Alta

* À depender da avaliação de cada concessionária.

Nossos Principais

Serviços

Contato e Informações

Entre em contato conosco através de um dos canais a seguir.

Eng. Assis Junior

  (49) 9 9806-5518

  assis@egnipro.com.br

Eng. Romulo B. Santos

  (49) 9 8865-0825

  romulo@egnipro.com.br

  Rua Geny de Jesus Afonso Carneiro, nº 25, Bairro Sorgatto, Caçador/SC

Fale conosco

Preencha este formulário que entraremos em contato com você.